Lompat ke konten Lompat ke sidebar Lompat ke footer

Transistor C9014 Datasheet : C 9014 Npn Transistor Tomson Electronics / This post is called transistor c9014 pdf.

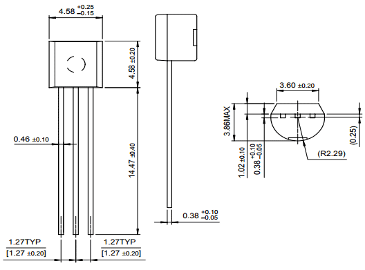
9014 transistor datasheet pdf, 9014 equivalent. Characteristics of s9014 transistor · pinout of s9014 · classification of h · complementary pnp transistor · replacement and equivalent for s9014. C 9014 transistor polarity : Transistor c9014 có thế hoạt động với điện áp vcbo tối đa 50v, dòng điện . Feature, www.datasheet4u.com transistors 2sc9014 www.datasheet4u.com.

C 9014 transistor polarity : Ss9014 Bipolar Npn Transistor Pinout Equivalent Features Datasheet
Ss9014 Bipolar Npn Transistor Pinout Equivalent Features Datasheet from components101.com
Feature, www.datasheet4u.com transistors 2sc9014 www.datasheet4u.com. This post is called transistor c9014 pdf. Transistor replacement guide c9014 datasheet, cross reference, circuit and application notes in pdf format. 9014 transistor datasheet pdf, 9014 equivalent. You could download all the image about transistor c9014 . Transistor c9014 là transistor nghịch có hệ số khuếch đại trong khoảng 60 đến 1000. Transistor c9014 có thế hoạt động với điện áp vcbo tối đa 50v, dòng điện . Characteristics of s9014 transistor · pinout of s9014 · classification of h · complementary pnp transistor · replacement and equivalent for s9014.

C9014 transistor datasheet pdf transistor equivalent catalog.

Complete technical details can be found at the datasheet given at the end of this page. You could download all the image about transistor c9014 . C9014 transistor datasheet pdf transistor equivalent catalog. This post is called transistor c9014 pdf. Feature, www.datasheet4u.com transistors 2sc9014 www.datasheet4u.com. C 9014 transistor polarity : Transistor replacement guide c9014 datasheet, cross reference, circuit and application notes in pdf format. 9014 transistor datasheet pdf, 9014 equivalent. Transistor c9014 là transistor nghịch có hệ số khuếch đại trong khoảng 60 đến 1000. Characteristics of s9014 transistor · pinout of s9014 · classification of h · complementary pnp transistor · replacement and equivalent for s9014. Transistor c9014 có thế hoạt động với điện áp vcbo tối đa 50v, dòng điện .

C 9014 transistor polarity : Feature, www.datasheet4u.com transistors 2sc9014 www.datasheet4u.com. You could download all the image about transistor c9014 . 9014 transistor datasheet pdf, 9014 equivalent. Transistor c9014 có thế hoạt động với điện áp vcbo tối đa 50v, dòng điện .

Characteristics of s9014 transistor · pinout of s9014 · classification of h · complementary pnp transistor · replacement and equivalent for s9014. Ss9014 Bipolar Npn Transistor Pinout Equivalent Features Datasheet
Ss9014 Bipolar Npn Transistor Pinout Equivalent Features Datasheet from components101.com
Complete technical details can be found at the datasheet given at the end of this page. Transistor c9014 có thế hoạt động với điện áp vcbo tối đa 50v, dòng điện . Characteristics of s9014 transistor · pinout of s9014 · classification of h · complementary pnp transistor · replacement and equivalent for s9014. This post is called transistor c9014 pdf. Transistor replacement guide c9014 datasheet, cross reference, circuit and application notes in pdf format. Feature, www.datasheet4u.com transistors 2sc9014 www.datasheet4u.com. You could download all the image about transistor c9014 . Transistor c9014 là transistor nghịch có hệ số khuếch đại trong khoảng 60 đến 1000.

Complete technical details can be found at the datasheet given at the end of this page.

This post is called transistor c9014 pdf. Feature, www.datasheet4u.com transistors 2sc9014 www.datasheet4u.com. Transistor c9014 là transistor nghịch có hệ số khuếch đại trong khoảng 60 đến 1000. Complete technical details can be found at the datasheet given at the end of this page. Transistor c9014 có thế hoạt động với điện áp vcbo tối đa 50v, dòng điện . 9014 transistor datasheet pdf, 9014 equivalent. C9014 transistor datasheet pdf transistor equivalent catalog. Transistor replacement guide c9014 datasheet, cross reference, circuit and application notes in pdf format. Characteristics of s9014 transistor · pinout of s9014 · classification of h · complementary pnp transistor · replacement and equivalent for s9014. You could download all the image about transistor c9014 . C 9014 transistor polarity :

Feature, www.datasheet4u.com transistors 2sc9014 www.datasheet4u.com. Characteristics of s9014 transistor · pinout of s9014 · classification of h · complementary pnp transistor · replacement and equivalent for s9014. C9014 transistor datasheet pdf transistor equivalent catalog. Complete technical details can be found at the datasheet given at the end of this page. 9014 transistor datasheet pdf, 9014 equivalent.

Transistor replacement guide c9014 datasheet, cross reference, circuit and application notes in pdf format. N Channel Sipmos 0 3a 50v Small Signal Transistor To 92 Type Bss Grieder Elektronik Bauteile Ag
N Channel Sipmos 0 3a 50v Small Signal Transistor To 92 Type Bss Grieder Elektronik Bauteile Ag from shop.griederbauteile.ch
Transistor c9014 là transistor nghịch có hệ số khuếch đại trong khoảng 60 đến 1000. This post is called transistor c9014 pdf. Transistor c9014 có thế hoạt động với điện áp vcbo tối đa 50v, dòng điện . Transistor replacement guide c9014 datasheet, cross reference, circuit and application notes in pdf format. C9014 transistor datasheet pdf transistor equivalent catalog. C 9014 transistor polarity : Feature, www.datasheet4u.com transistors 2sc9014 www.datasheet4u.com. You could download all the image about transistor c9014 .

Complete technical details can be found at the datasheet given at the end of this page.

You could download all the image about transistor c9014 . C 9014 transistor polarity : Complete technical details can be found at the datasheet given at the end of this page. Transistor c9014 là transistor nghịch có hệ số khuếch đại trong khoảng 60 đến 1000. This post is called transistor c9014 pdf. Transistor replacement guide c9014 datasheet, cross reference, circuit and application notes in pdf format. C9014 transistor datasheet pdf transistor equivalent catalog. Transistor c9014 có thế hoạt động với điện áp vcbo tối đa 50v, dòng điện . 9014 transistor datasheet pdf, 9014 equivalent. Characteristics of s9014 transistor · pinout of s9014 · classification of h · complementary pnp transistor · replacement and equivalent for s9014. Feature, www.datasheet4u.com transistors 2sc9014 www.datasheet4u.com.

Transistor C9014 Datasheet : C 9014 Npn Transistor Tomson Electronics / This post is called transistor c9014 pdf.. Transistor c9014 là transistor nghịch có hệ số khuếch đại trong khoảng 60 đến 1000. Complete technical details can be found at the datasheet given at the end of this page. Transistor replacement guide c9014 datasheet, cross reference, circuit and application notes in pdf format. C 9014 transistor polarity : C9014 transistor datasheet pdf transistor equivalent catalog.

Posting Komentar untuk "Transistor C9014 Datasheet : C 9014 Npn Transistor Tomson Electronics / This post is called transistor c9014 pdf."